反相器:
Vcc 6A 6Y 5A 5Y 4A 4Y 六非門 74LS04
┌┴—┴—┴—┴—┴—┴—┴┐ 六非門(OC門) 74LS05
_ │14 13 12 11 10 9 8│ 六非門(OC高壓輸出) 74LS06
Y = A ) │
│ 1 2 3 4 5 6 7│
└┬—┬—┬—┬—┬—┬—┬┘
1A 1Y 2A 2Y 3A 3Y GND
驅動器:
Vcc 6A 6Y 5A 5Y 4A 4Y
┌┴—┴—┴—┴—┴—┴—┴┐
│14 13 12 11 10 9 8│
Y = A ) │ 六驅動器(OC高壓輸出) 74LS07
│ 1 2 3 4 5 6 7│
└┬—┬—┬—┬—┬—┬—┬┘
1A 1Y 2A 2Y 3A 3Y GND
Vcc -4C 4A 4Y -3C 3A 3Y
┌┴—┴—┴—┴—┴—┴—┴┐
_ │14 13 12 11 10 9 8│
Y =A+C ) │ 四總線三態門 74LS125
│ 1 2 3 4 5 6 7│
└┬—┬—┬—┬—┬—┬—┬┘
-1C 1A 1Y -2C 2A 2Y GND
Vcc -G B1 B2 B3 B4 B8 B6 B7 B8
┌┴—┴—┴—┴—┴—┴—┴—┴—┴—┴┐ 8位總線驅動器 74LS245
│20 19 18 17 16 15 14 13 12 11│
) │ DIR=1 A=>B
│ 1 2 3 4 5 6 7 8 9 10│ DIR=0 B=>A
└┬—┬—┬—┬—┬—┬—┬—┬—┬—┬┘
DIR A1 A2 A3 A4 A5 A6 A7 A8 GND
頁首 非門,驅動器 與門,與非門 或門,或非門 異或門,比較器 譯碼器寄存器
正邏輯與門,與非門:
Vcc 4B 4A 4Y 3B 3A 3Y
┌┴—┴—┴—┴—┴—┴—┴┐
│14 13 12 11 10 9 8│
Y = AB ) │ 2輸入四正與門 74LS08
│ 1 2 3 4 5 6 7│
└┬—┬—┬—┬—┬—┬—┬┘
1A 1B 1Y 2A 2B 2Y GND
Vcc 4B 4A 4Y 3B 3A 3Y
┌┴—┴—┴—┴—┴—┴—┴┐
__ │14 13 12 11 10 9 8│
Y = AB ) │ 2輸入四正與非門 74LS00
│ 1 2 3 4 5 6 7│
└┬—┬—┬—┬—┬—┬—┬┘
1A 1B 1Y 2A 2B 2Y GND
Vcc 1C 1Y 3C 3B 3A 3Y
┌┴—┴—┴—┴—┴—┴—┴┐
___ │14 13 12 11 10 9 8│
Y = ABC ) │ 3輸入三正與非門 74LS10
│ 1 2 3 4 5 6 7│
└┬—┬—┬—┬—┬—┬—┬┘
1A 1B 2A 2B 2C 2Y GND
Vcc H G Y
┌┴—┴—┴—┴—┴—┴—┴┐
│14 13 12 11 10 9 8│
) │ 8輸入與非門 74LS30
│ 1 2 3 4 5 6 7│ ________
└┬—┬—┬—┬—┬—┬—┬┘ Y = ABCDEFGH
A B C D E F GND
頁首 非門,驅動器 與門,與非門 或門,或非門 異或門,比較器 譯碼器寄存器
正邏輯或門,或非門:
Vcc 4B 4A 4Y 3B 3A 3Y
┌┴—┴—┴—┴—┴—┴—┴┐ 2輸入四或門 74LS32
│14 13 12 11 10 9 8│
) │ Y = A+B
│ 1 2 3 4 5 6 7│
└┬—┬—┬—┬—┬—┬—┬┘
1A 1B 1Y 2A 2B 2Y GND
Vcc 4Y 4B 4A 3Y 3B 3A
┌┴—┴—┴—┴—┴—┴—┴┐ 2輸入四或非門 74LS02
│14 13 12 11 10 9 8│ ___
) │ Y = A+B
│ 1 2 3 4 5 6 7│
└┬—┬—┬—┬—┬—┬—┬┘
1Y 1A 1B 2Y 2A 2B GND
Vcc 2Y 2B 2A 2D 2E 1F
┌┴—┴—┴—┴—┴—┴—┴┐ 雙與或非門 74S51
│14 13 12 11 10 9 8│ _____
) │ 2Y = AB+DE
│ 1 2 3 4 5 6 7│ _______
└┬—┬—┬—┬—┬—┬—┬┘ 1Y = ABC+DEF
1Y 1A 1B 1C 1D 1E GND
Vcc D C B K J Y
┌┴—┴—┴—┴—┴—┴—┴┐ 4-2-3-2與或非門 74S64 74S65(OC門)
│14 13 12 11 10 9 8│ ______________
) │ Y = ABCD+EF+GHI+JK
│ 1 2 3 4 5 6 7│
└┬—┬—┬—┬—┬—┬—┬┘
A E F G H I GND
頁首 非門,驅動器 與門,與非門 或門,或非門 異或門,比較器 譯碼器寄存器
2輸入四異或門 74LS86
Vcc 4B 4A 4Y 3Y 3B 3A
┌┴—┴—┴—┴—┴—┴—┴┐
│14 13 12 11 10 9 8│
) │ _ _
│ 1 2 3 4 5 6 7│ Y=AB+AB
└┬—┬—┬—┬—┬—┬—┬┘
1A 1B 1Y 2Y 2A 2B GND
8*2輸入比較器 74LS688
_
Vcc Y B8 A8 B7 A7 B6 A6 B5 A5
┌┴—┴—┴—┴—┴—┴—┴—┴—┴—┴┐ 8*2輸入比較器 74LS688
│20 19 18 17 16 15 14 13 12 11│
) │
│ 1 2 3 4 5 6 7 8 9 10│
└┬—┬—┬—┬—┬—┬—┬—┬—┬—┬┘
CE A1 B1 A2 B2 A3 B3 A4 B4 GND
_
Y=A1⊙B1+A2⊙B2+A3⊙B3+A4⊙B4+A5⊙B5+A6⊙B6+A7⊙B7+A8⊙B8
頁首 非門,驅動器 與門,與非門 或門,或非門 異或門,比較器 譯碼器寄存器
3-8譯碼器 74LS138
Vcc -Y0 -Y1 -Y2 -Y3 -Y4 -Y5 -Y6 __ _ _ _ __ _ _ __ _ _ __ _
┌┴—┴—┴—┴—┴—┴—┴—┴┐ Y0=A B C Y1=A B B Y2=A B C Y3=A B C
│16 15 14 13 12 11 10 9 │
) │ __ _ _ __ _ __ _ __
│ 1 2 3 4 5 6 7 8│ Y4=A B C Y5=A B C Y6=A B C Y7=A B C
└┬—┬—┬—┬—┬—┬—┬—┬┘
A B C -CS0 -CS1 CS2 -Y7 GND
雙2-4譯碼器 74LS139
Vcc -2G 2A 2B -Y0 -Y1 -Y2 -Y3 __ __ __ __ __ __ __ __
┌┴—┴—┴—┴—┴—┴—┴—┴┐ Y0=2A 2B Y1=2A 2B Y2=2A 2B Y3=2A 2B
│16 15 14 13 12 11 10 9 │
) │ __ __ __ __ __ __ __ __
│ 1 2 3 4 5 6 7 8│ Y0=1A 1B Y1=1A 1B Y2=1A 1B Y3=1A 1B
└┬—┬—┬—┬—┬—┬—┬—┬┘
-1G 1A 1B -Y0 -Y1 -Y2 -Y3 GND
8*2輸入比較器 74LS688
_
Vcc Y B8 A8 B7 A7 B6 A6 B5 A5
┌┴—┴—┴—┴—┴—┴—┴—┴—┴—┴┐ 8*2輸入比較器 74LS688
│20 19 18 17 16 15 14 13 12 11│
) │
│ 1 2 3 4 5 6 7 8 9 10│
└┬—┬—┬—┬—┬—┬—┬—┬—┬—┬┘
CE A1 B1 A2 B2 A3 B3 A4 B4 GND
_
Y=A1⊙B1+A2⊙B2+A3⊙B3+A4⊙B4+A5⊙B5+A6⊙B6+A7⊙B7+A8⊙B8
寄存器:
Vcc 2CR 2D 2Ck 2St 2Q -2Q
┌┴—┴—┴—┴—┴—┴—┴┐ 雙D觸發器74LS74
│14 13 12 11 10 9 8 │
) │
│ 1 2 3 4 5 6 7│
└┬—┬—┬—┬—┬—┬—┬┘
1Cr 1D 1Ck 1St 1Q -1Q GND
Vcc 8Q 8D 7D 7Q 6Q 6D 5D 5Q ALE
┌┴—┴—┴—┴—┴—┴—┴—┴—┴—┴┐ 8位鎖存器 74LS373
│20 19 18 17 16 15 14 13 12 11│
) │
│ 1 2 3 4 5 6 7 8 9 10│
└┬—┬—┬—┬—┬—┬—┬—┬—┬—┬┘
-OE 1Q 1D 2D 2Q 3Q 3D 4D 4Q GND
TTL器件的典型產品為54系列(軍用品)和74系列(民用品)兩大類。下面給出部分常用器件管腳排列和功能說明。
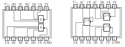
(1) 74LS00雙輸入四與非門,管腳圖如附圖1-27所示。
(2) 74LS02雙輸入四或非門,管腳圖如附圖1-28所示。
(3) 74LS04六反相器,管腳圖如附圖1-29所示。
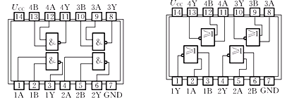
(4) 74LS08雙輸入四與門,管腳圖如附圖1-30所示。
(5) 74LS20四輸入雙與非門,管腳圖如附圖1-31所示。
(6) 74LS27三輸入三或非門,管腳圖如附圖1-32所示。
(7) 74LS30八輸入與非門,管腳圖如附圖1-33所示。
(8) 74LS47/48BCD七段譯碼器/驅動器,74LS47為低電平作用;74LS48為高電平作用。管腳圖如附圖1-34所示。
(9) 74LSl38 3-8譯碼器。管腳圖及真值表如附圖1-35所示。
7400TTL2輸入端四與非門
7401TTL集電極開路2輸入端四與非門
7402TTL2輸入端四或非門
7403TTL集電極開路2輸入端四與非門
7404TTL六反相器
7405TTL集電極開路六反相器
7406TTL集電極開路六反相高壓驅動器
7407TTL集電極開路六正相高壓驅動器
7408TTL2輸入端四與門
7409TTL集電極開路2輸入端四與門
7410TTL3輸入端3與非門
74107TTL帶清除主從雙J-K觸發器
74109TTL帶預置清除正觸發雙J-K觸發器
7411TTL3輸入端3與門
74112TTL帶預置清除負觸發雙J-K觸發器
7412TTL開路輸出3輸入端三與非門
74121TTL單穩態多諧振蕩器
74122TTL可再觸發單穩態多諧振蕩器
74123TTL雙可再觸發單穩態多諧振蕩器
74125TTL三態輸出高有效四總線緩沖門
74126TTL三態輸出低有效四總線緩沖門
7413TTL4輸入端雙與非施密特觸發器
74132TTL2輸入端四與非施密特觸發器
74133TTL13輸入端與非門
74136TTL四異或門
74138TTL3-8線譯碼器/復工器
74139TTL雙2-4線譯碼器/復工器
7414TTL六反相施密特觸發器
74145TTLBCD—十進制譯碼/驅動器
7415TTL開路輸出3輸入端三與門
74150TTL16選1數據選擇/多路開關
74151TTL8選1數據選擇器
74153TTL雙4選1數據選擇器
74154TTL4線—16線譯碼器
74155TTL圖騰柱輸出譯碼器/分配器
74156TTL開路輸出譯碼器/分配器
74157TTL同相輸出四2選1數據選擇器
74158TTL反相輸出四2選1數據選擇器
7416TTL開路輸出六反相緩沖/驅動器
74160TTL可預置BCD異步清除計數器
74161TTL可予制四位二進制異步清除計數器
74162TTL可預置BCD同步清除計數器
74163TTL可予制四位二進制同步清除計數器
74164TTL八位串行入/并行輸出移位寄存器
74165TTL八位并行入/串行輸出移位寄存器
74166TTL八位并入/串出移位寄存器
74169TTL二進制四位加/減同步計數器
7417TTL開路輸出六同相緩沖/驅動器
74170TTL開路輸出4×4寄存器堆
74173TTL三態輸出四位D型寄存器
74174TTL帶公共時鐘和復位六D觸發器
74175TTL帶公共時鐘和復位四D觸發器
74180TTL9位奇數/偶數發生器/校驗器
74181TTL算術邏輯單元/函數發生器
74185TTL二進制—BCD代碼轉換器
74190TTLBCD同步加/減計數器
74191TTL二進制同步可逆計數器
74192TTL可預置BCD雙時鐘可逆計數器
74193TTL可預置四位二進制雙時鐘可逆計數器
74194TTL四位雙向通用移位寄存器
74195TTL四位并行通道移位寄存器
74196TTL十進制/二-十進制可預置計數鎖存器
74197TTL二進制可預置鎖存器/計數器
7420TTL4輸入端雙與非門
7421TTL4輸入端雙與門
7422TTL開路輸出4輸入端雙與非門
74221TTL雙/單穩態多諧振蕩器
74240TTL八反相三態緩沖器/線驅動器
74241TTL八同相三態緩沖器/線驅動器
74243TTL四同相三態總線收發器
74244TTL八同相三態緩沖器/線驅動器
74245TTL八同相三態總線收發器
74247TTLBCD—7段15V輸出譯碼/驅動器
74248TTLBCD—7段譯碼/升壓輸出驅動器
74249TTLBCD—7段譯碼
/開路輸出驅動器
74251TTL三態輸出8選1數據選擇器/復工器
74253TTL三態輸出雙4選1數據選擇器/復工器
74256TTL雙四位可尋址鎖存器
74257TTL三態原碼四2選1數據選擇器/復工器
74258TTL三態反碼四2選1數據選擇器/復工器
74259TTL八位可尋址鎖存器/3-8線譯碼器
7426TTL2輸入端高壓接口四與非門
74260TTL5輸入端雙或非門
74266TTL2輸入端四異或非門
7427TTL3輸入端三或非門
74273TTL帶公共時鐘復位八D觸發器
74279TTL四圖騰柱輸出S-R鎖存器
7428TTL2輸入端四或非門緩沖器
74283TTL4位二進制全加器
74290TTL二/五分頻十進制計數器
74293TTL二/八分頻四位二進制計數器
74295TTL四位雙向通用移位寄存器
74298TTL四2輸入多路帶存貯開關
74299TTL三態輸出八位通用移位寄存器
7430TTL8輸入端與非門
7432TTL2輸入端四或門
74322TTL帶符號擴展端八位移位寄存器
74323TTL三態輸出八位雙向移位/存貯寄存器
7433TTL開路輸出2輸入端四或非緩沖器
74347TTLBCD—7段譯碼器/驅動器
74352TTL雙4選1數據選擇器/復工器
74353TTL三態輸出雙4選1數據選擇器/復工器
74365TTL門使能輸入三態輸出六同相線驅動器
74365TTL門使能輸入三態輸出六同相線驅動器
74366TTL門使能輸入三態輸出六反相線驅動器
74367TTL4/2線使能輸入三態六同相線驅動器
74368TTL4/2線使能輸入三態六反相線驅動器
7437TTL開路輸出2輸入端四與非緩沖器
74373TTL三態同相八D鎖存器
74374TTL三態反相八D鎖存器
74375TTL4位雙穩態鎖存器
74377TTL單邊輸出公共使能八D鎖存器
74378TTL單邊輸出公共使能六D鎖存器
74379TTL雙邊輸出公共使能四D鎖存器
7438TTL開路輸出2輸入端四與非緩沖器
74380TTL多功能八進制寄存器
7439TTL開路輸出2輸入端四與非緩沖器
74390TTL雙十進制計數器
74393TTL雙四位二進制計數器
7440TTL4輸入端雙與非緩沖器
7442TTLBCD—十進制代碼轉換器
74352TTL雙4選1數據選擇器/復工器
74353TTL三態輸出雙4選1數據選擇器/復工器
74365TTL門使能輸入三態輸出六同相線驅動器
74366TTL門使能輸入三態輸出六反相線驅動器
74367TTL4/2線使能輸入三態六同相線驅動器
74368TTL4/2線使能輸入三態六反相線驅動器
7437TTL開路輸出2輸入端四與非緩沖器
74373TTL三態同相八D鎖存器
74374TTL三態反相八D鎖存器
74375TTL4位雙穩態鎖存器
74377TTL單邊輸出公共使能八D鎖存器
74378TTL單邊輸出公共使能六D鎖存器
74379TTL雙邊輸出公共使能四D鎖存器
7438TTL開路輸出2輸入端四與非緩沖器
74380TTL多功能八進制寄存器
7439TTL開路輸出2輸入端四與非緩沖器
74390TTL雙十進制計數器
74393TTL雙四位二進制計數器
7440TTL4輸入端雙與非緩沖器
7442TTLBCD—十進制代碼轉換器
74447TTLBCD—7段譯碼器/驅動器
7445TTLBCD—十進制代碼轉換/驅動器
74450TTL16:1多路轉接復用器多工器
74451TTL雙8:1多路轉接復用器多工器
74453TTL四4:1多路轉接復用器多工器
7446TTLBCD—7段低有效譯碼/驅動器
74460TTL十位比較器
74461TTL八進制計數器
74465TTL三態同相2與使能端八總線緩沖器
74466TTL三態反相2與使能八總線緩沖器
74467TTL三態同相2使能端八總線緩沖器
74468TTL三態反相2使能端八總線緩沖器
74469TTL八位雙向計數器
7447TTLBCD—7段高有效譯碼/驅動器
7448TTLBCD—7段譯碼器/內部上拉輸出驅動
74490TTL雙十進制計數器74491TTL十位計數器
74498TTL八進制移位寄存器
7450TTL2-3/2-2輸入端雙與或非門
74502TTL八位逐次逼近寄存器
74503TTL八位逐次逼近寄存器
7451TTL2-3/2-2輸入端雙與或非門
74533TTL三態反相八D鎖存器
74534TTL三態反相八D鎖存器
7454TTL四路輸入與或非門
74540TTL八位三態反相輸出總線緩沖器
7455TTL4輸入端二路輸入與或非門
74563TTL八位三態反相輸出觸發器
74564TTL八位三態反相輸出D觸發器
74573TTL八位三態輸出觸發器
74574TTL八位三態輸出D觸發器
74645TTL三態輸出八同相總線傳送接收器
74670TTL三態輸出4×4寄存器堆
7473TTL帶清除負觸發雙J-K觸發器
7474TTL帶置位復位正觸發雙D觸發器
7476TTL帶預置清除雙J-K觸發器
7483TTL四位二進制快速進位全加器
7485TTL四位數字比較器
7486TTL2輸入端四異或門
7490TTL可二/五分頻十進制計數器
7493TTL可二/八分頻二進制計數器
7495TTL四位并行輸入\輸出移位寄存器
7497TTL6位同步二進制乘法器





