單片機是一個很多人都想學習的東西,但是如果沒有必要的條件是很難學會單片機的。我建議大家需要準備學習單片機的條件是:
1、要有一臺電腦,最好在586或者586以上,P2,P3和P4更好。
2、要有一個編程器,用來把編譯好的程序寫入單片機的ROM里面,把寫好后的芯片插到試驗板上面進行試驗。專業的1000元以上,中等的400~800元,低檔的150元左右,一些網上銷售的一些雜類的也有80~100元左右的。
4、要有一個硬件單片機試驗板,作為單片機試驗的外圍電路部分。商品化的一般是200~500元錢,復雜的就更是天價了。
5、要有幾個用來試驗的單片機芯片,比如應用的比較廣泛的89C51,89S51,89S52等,一般的市場零售價是7~9元不等。如果買2片的話在20元左右即可。
以上提到的我們學校都為大家準備好了,請大家放心學習,下面我們來談談學習的相關內容。
一. 教學目的:
1. 了解單片機開發過程
2. 學會制作和開發單片機系統
二. 教學重點:單片機系統制作過程
三. 教具:單片機系統套件(散件)實驗系統一套
四. 教學方法:任務教學法
五. 教學步驟
1. 確定任務
開發單片機最小系統
2. 任務分析:
該系統具有的功能:
(1) 具有4位LED數碼管顯示功能。
(2) 八路發光二極管顯示各種流水燈。
(3) 可以完成各種奏樂,報警等發聲音類實驗。
(4) 復位功能
3. 知識準備
(1)單片機的外部結構(引腳功能)
(2) 發光二極管和數碼管顯示原理
(3) 其它外圍器件的相關知識,三極管,蜂鳴器,語音片/音樂片.排阻.晶振.
(4)單片機工作條件
(5) 指令代碼
(6)延時程序
(7) 程序編碼
(8)KEIL C51開發平臺的使用方法。
(9)軟件仿真和硬件仿真
(10)單片機系統的調試方法
4. 工具及材料準備
(1) 編程器采用AE綜合系統
(2) 單片機最小系統套件
(3) 電烙鐵,萬用表,萬能板等
(4) 電腦及Keil軟件
5. 制作過程
(1) 清理制作套件
(2) 依據任務功能設計原理圖
(3) 把原理圖轉變成電路圖,并畫在萬能板上
(4) 焊接元器件并檢查線路
(5) 程序設計
(6) 軟件仿真
(7) 用編程器把程序輸入到單片機中
(8) 通電,觀看結果
(9) 自我評價產品
(10) 老師綜合點評
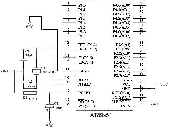
順便介紹一下單片機的工作條件at89s51適合于所有51系列
單片機要想正常工作,必須具備以下工作條件:
1. 電源 VCC +5V 40腳
2. 接地 GND 20腳
3. 復位電路: RES引腳維持高電平時間不能少于24個振蕩周期,單片機保持在復位狀態(時鐘周期=12×振蕩周期,振蕩周期=1/f)。
4. 時鐘電路:單片機的工作是在統一時鐘下工作的,所以必須有時鐘電路。
5. 存儲器控制電路:第31腳EA端。當EA輸入端輸入高電平時,CPU可以訪問片內程序存儲器4KB的地址范圍,若PC值超出4KB范圍時,將自動轉向訪問片外程序存儲器。當EA輸入低電平時,則只能訪問片外程序存儲器,不論片內是否有程序存儲器。基于此,我們在設計時一般都讓EA端接高電平。
6. 單片機內部必須具有相應的程序。

