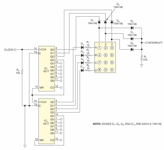
今天發張單片機連接 4x3 數字鍵盤的電路,作者是美國電工羅伯辛海。很多應用中,都需要接一個用單片機控制的數字鍵盤,傳統方法是用很多I/O引腳,例如接一個數字快輸盤就要7個I/O腳。在這個電路中,只需要2個I/O 引腳就可以了。
單片機接數字鍵盤的電路
大多數時鐘I/O都需要特殊的通訊協議,例如I2C, SPI等等,MCU需要有通訊模塊,工程師需要靈活地實施軟件。而且,給每個按鍵分配不同的電壓,也是件麻煩事。
羅伯辛海提供了這個設計思路,只要兩個I/O,不需要特別的通訊協議,不需要模擬pin, 用兩個德州儀器的CD4017就可以了。CD4017很常見,而且不貴。R1, R4, R5和R6用來限流,R7, D4, D5和D6組成一個或門。
雖然這是一個4x3鍵盤的電路,也可以用來接10x10的鍵盤。如果要接更大的鍵盤,就要多加CD4017的數量,原理是一樣的。

